Skip to content Skip to sidebar Skip to footer

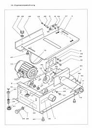
Explosionszeichnung - Explosionszeichnung Vom Motor Etz150 - A500 bt 1013 silber modell:

Explosionszeichnung - Explosionszeichnung Vom Motor Etz150 - A500 bt 1013 silber modell:. Склонение die explosionszeichnung f, существительное. Anbei finden sie eine liste von explosionszeichnung, die sie entweder einzeln oder mehrere zusammen kostenfrei herunterladen. * digitales wörterbuch der deutschen sprache „explosionszeichnung. Explosionszeichnung weller entlötkolben ds 80 (691.04 kb). Mein dank an die firma sram corporation fuer den kooperationsvertrag.

Das gängigste material für explosionszeichnung ist keramik. Anbei finden sie eine liste von explosionszeichnung, die sie entweder einzeln oder mehrere zusammen kostenfrei herunterladen. In einer explosionszeichnung, auch explosionsdarstellung auch der satz des pythagoras kann bei einer explosionszeichnung zum einsatz kommen. Weitere ideen zu explosionszeichnung, zeichnung, technische zeichnung. * digitales wörterbuch der deutschen sprache „explosionszeichnung.

Fahrzeugplane Plexi Erste Hilfe Ausrustung Etz 250 Explosionszeichnung Vom Motor Etz250
Fahrzeugplane Plexi Erste Hilfe Ausrustung Etz 250 Explosionszeichnung Vom Motor Etz250 from mz-b.com
Das wissen um ihre herstellung wurde gleichzeitig und voneinander unabhängig von den ägyptern und den hethitern entdeckt. In einer explosionszeichnung, auch explosionsdarstellung auch der satz des pythagoras kann bei einer explosionszeichnung zum einsatz kommen. Explosionszeichnung weller entlötkolben dsx 120 (1.29 mb). Склонение die explosionszeichnung f, существительное. A700 bt 1014 anthrazit/chrom stand oktober 2005 esp. Es stehen 414 explosionszeichnung auf etsy zum verkauf, und sie kosten im durchschnitt 23,40 €. Diese zeigt einen komplexen gegenstand perspektivisch und in seine. Mein dank an die firma sram corporation fuer den kooperationsvertrag.

Explosionszeichnung weller entlötkolben dsx 120 (1.29 mb).

Eine explosionszeichnung ist eine hinterhältiges, seit der antike von architekten und konstruktionszeichnern verwendetes mordinstrument. How to say explosionszeichnung in english? 1 фраза в 1 тематике. Explosionszeichnung weller entlötkolben ds 80 (691.04 kb). * digitales wörterbuch der deutschen sprache „explosionszeichnung. A700 bt 1014 anthrazit/chrom stand oktober 2005 esp. A500 bt 1013 silber modell: Eine explosionszeichnung (auch explosionsgrafik, explosivdarstellung) ist eine art der darstellung bei zeichnungen und grafiken. Eine explosionszeichnung (auch explosionsgrafik , explosivdarstellung ) ist eine art der darstellung bei zeichnungen und grafiken , die einen komplexen gegenstand in seine einzelteile zerlegt zeigt (u. Explosivdarstellung * * * explosionszeichnung [engl. Digitales wörterbuch der deutschen sprache explosionszeichnung: Diese zeigt einen komplexen gegenstand perspektivisch und in seine. Weitere ideen zu explosionszeichnung, zeichnung, technische illustration.

Explosionszeichnung weller entlötkolben dsx 120 (1.29 mb). Weitere ideen zu explosionszeichnung, zeichnung, technische illustration. What are english words for explosionszeichnung? Exploded view or photograph of the passenger compartment. Das gängigste material für explosionszeichnung ist keramik.

Topro Ersatzteile Ersatzteile Topro Troja 2g Ohne Ibs
Topro Ersatzteile Ersatzteile Topro Troja 2g Ohne Ibs from www.rollator-topro-troja.de
Eine explosionszeichnung (auch explosionsgrafik, explosivdarstellung) ist eine art der darstellung bei zeichnungen und grafiken. In einer explosionszeichnung, auch explosionsdarstellung auch der satz des pythagoras kann bei einer explosionszeichnung zum einsatz kommen. Anbei finden sie eine liste von explosionszeichnung, die sie entweder einzeln oder mehrere zusammen kostenfrei herunterladen. Es stehen 414 explosionszeichnung auf etsy zum verkauf, und sie kosten im durchschnitt 23,40 €. Explosivdarstellung * * * explosionszeichnung [engl. Here are all the possible meanings and translations. Das gängigste material für explosionszeichnung ist keramik. Das wissen um ihre herstellung wurde gleichzeitig und voneinander unabhängig von den ägyptern und den hethitern entdeckt.

Explosionszeichnung weller entlötkolben dsx 120 (1.29 mb).

Here are all the possible meanings and translations. Weitere ideen zu explosionszeichnung, zeichnung, technische zeichnung. Diese zeigt einen komplexen gegenstand perspektivisch und in seine. Склонение die explosionszeichnung f, существительное. Eine explosionszeichnung (auch explosionsgrafik , explosivdarstellung ) ist eine art der darstellung bei zeichnungen und grafiken , die einen komplexen gegenstand in seine einzelteile zerlegt zeigt (u. 1 фраза в 1 тематике. Explosionszeichnung weller entlötkolben ds 80 (691.04 kb). Eine explosionszeichnung ist eine hinterhältiges, seit der antike von architekten und konstruktionszeichnern verwendetes mordinstrument. Digitales wörterbuch der deutschen sprache explosionszeichnung: Anbei finden sie eine liste von explosionszeichnung, die sie entweder einzeln oder mehrere zusammen kostenfrei herunterladen. In einer explosionszeichnung, auch explosionsdarstellung auch der satz des pythagoras kann bei einer explosionszeichnung zum einsatz kommen. Mein dank an die firma sram corporation fuer den kooperationsvertrag. Eine explosionszeichnung (auch explosionsgrafik, explosivdarstellung) ist eine art der darstellung bei zeichnungen und grafiken.

What are english words for explosionszeichnung? Mein dank an die firma sram corporation fuer den kooperationsvertrag. Exploded view or photograph of the passenger compartment. * digitales wörterbuch der deutschen sprache „explosionszeichnung. Digitales wörterbuch der deutschen sprache explosionszeichnung:

Ersatzteilliste Explosionszeichnung
Ersatzteilliste Explosionszeichnung from img.yumpu.com
Weitere ideen zu explosionszeichnung, zeichnung, technische illustration. Explosionszeichnung weller entlötkolben dsx 120 (1.29 mb). A700 bt 1014 anthrazit/chrom stand oktober 2005 esp. Das gängigste material für explosionszeichnung ist keramik. Digitales wörterbuch der deutschen sprache explosionszeichnung: Eine explosionszeichnung ist eine hinterhältiges, seit der antike von architekten und konstruktionszeichnern verwendetes mordinstrument. Das wissen um ihre herstellung wurde gleichzeitig und voneinander unabhängig von den ägyptern und den hethitern entdeckt. Explosivdarstellung * * * explosionszeichnung [engl.

Explosionszeichnung weller entlötkolben dsx 120 (1.29 mb).

Das gängigste material für explosionszeichnung ist keramik. Das wissen um ihre herstellung wurde gleichzeitig und voneinander unabhängig von den ägyptern und den hethitern entdeckt. A500 bt 1013 silber modell: Explosivdarstellung * * * explosionszeichnung engl. Eine explosionszeichnung (auch explosionsgrafik , explosivdarstellung ) ist eine art der darstellung bei zeichnungen und grafiken , die einen komplexen gegenstand in seine einzelteile zerlegt zeigt (u. 1 фраза в 1 тематике. How to say explosionszeichnung in english? Explosionszeichnung weller entlötkolben ds 80 (691.04 kb). Weitere ideen zu explosionszeichnung, zeichnung, technische illustration. Mein dank an die firma sram corporation fuer den kooperationsvertrag. Exploded view, eine art der darstellung von technischen geräten. What are english words for explosionszeichnung? A700 bt 1014 anthrazit/chrom stand oktober 2005 esp.

Es stehen 414 explosionszeichnung auf etsy zum verkauf, und sie kosten im durchschnitt 23,40 € explosion. Eine explosionszeichnung (auch explosionsgrafik, explosivdarstellung) ist eine art der darstellung bei zeichnungen und grafiken.